咨询电话:内贸部 0592-7016977 , 外贸部(Export Sales Department) Whatsapp/Wechat/Skype/Tel: 8618259200493
加入收藏夹
中文版
|
English
台湾公司
网站首页
关于我们
产品展示
新闻中心
在线订购
下载中心
人才招聘
联系我们
网站首页
关于我们
产品展示
新闻中心
在线订购
下载中心
人才招聘
联系我们
产品展示
PRODUCTS
交流电机、齿轮型号选定
AC微型标准电机
DC永磁直流电机
刹车离合器电机
调速控制器
小型减速电机
立体停车场电机
台湾维良金驹泵浦系列
直线式减速机
蜗轮减速机
行星减速机
伺服电机及驱动器
直角减速机
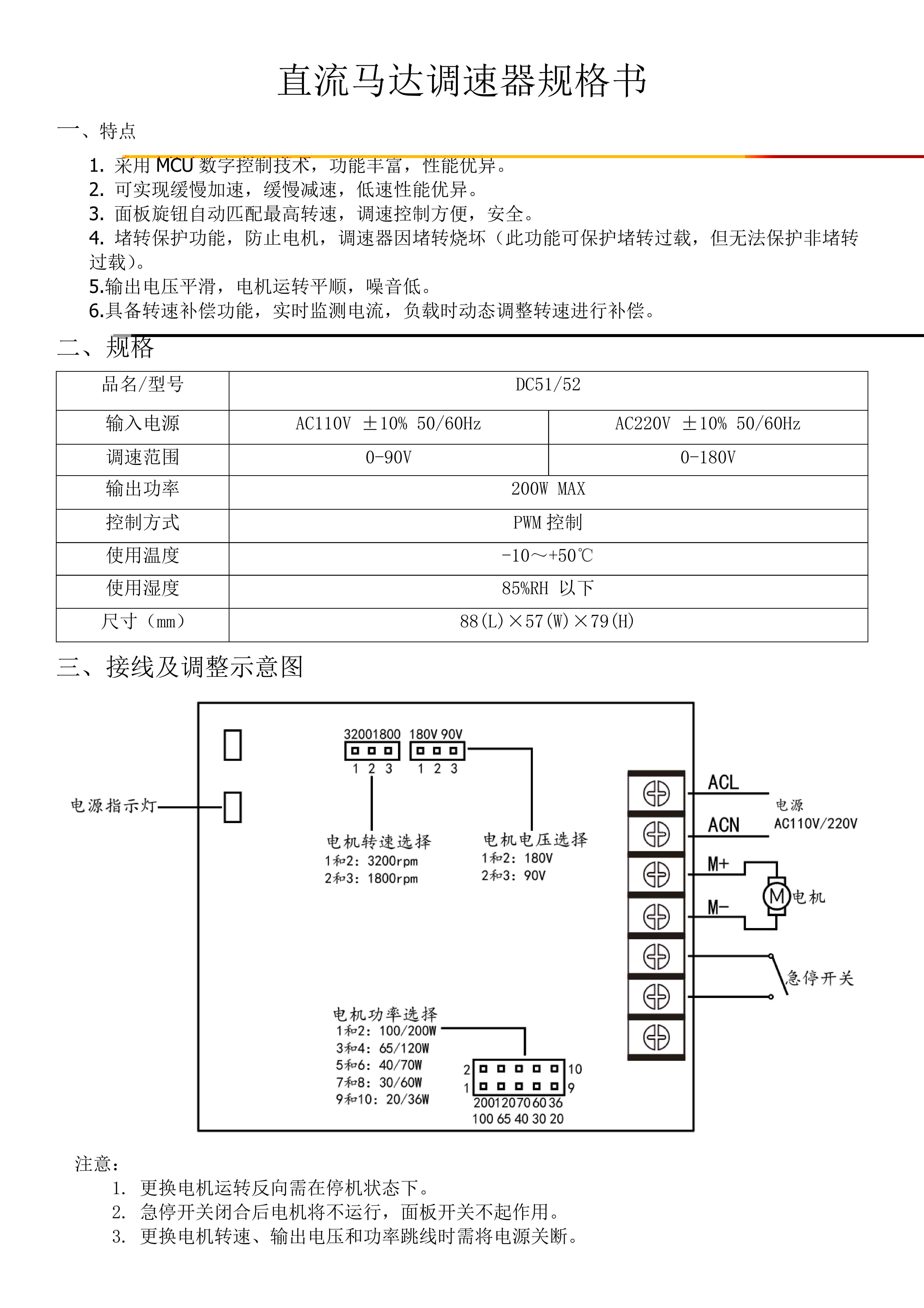
名称:直流调速器